MSE-PF100 Digital Scanning Hot Metal Detector Housing
Hot Metal Detectors MSE-PF100 Description Technical Info Housing Info Data Sheet Request More Info

 

Rear View of the MSE-PF1000 Digital Scanning Hot Metal Detector

Rear View of the MSE-PF100 Digital Scanning Hot Metal Detector

MSE-PF100 Digital Scanning Hot Metal Detector

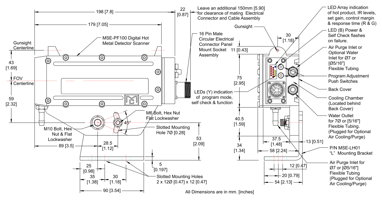
The following is specifications and dimensional information on the housing for the MSE-PF100 Digital Scanning Hot Metal Detector.

The MSE-PF100 Digital Scanning Hot Metal Detector's electronic circuitry is packaged in a robust cast aluminum housing. The housing includes a large air cooled chamber which is separated from the electronic circuitry compartment. An air inlet is located in the rear of the cast aluminum housing. Pressurized air passes though this chamber, cooling the cast aluminum housing thus cooling the electronic circuitry. The air vents in the front of the housing via a slot in front of the lens providing air purging. Further cooling of the air can be accomplished with the use of an in-line vortex tube air cooler.  

As an option, a sealed water coolant radiator & separate air purging facility can be provided. The copper water coolant radiator is mounted internal to the air cooled chamber. Coolant inlet and outlet fittings are provided in the rear of the cast aluminum housing. An air inlet is fitted in the front nozzle of the housing and air is vented out the front of the nozzle in front of the lens.

Further cooling of the air can be accomplished with the use of an optional vortex tube in-line air cooler in place of water cooling. An optional Modular Air Combination Unit is available that includes a pressure relief valve, an air filter with 5 μm filtration, a coalescing filter with 0.01 μm filtration and an adjustable pressure regulator. 

The heat reflective protective cover is custom fabricated and is made with Eko-Therm™ aluminized Kevlar with high temperature construction and high temperature Velcro® closures. The cover provides a unique combination of thermal insulation and heat reflective qualities. It helps maintain cooling process line temperatures in high ambient conditions or alongside external radiating heat sources. The cover is constructed in 3 layers to provide maximum insulation properties to meet or exceed maximum temperature requirements

The standard the MSE-PF100 is supplied with a cable assembly which includes a mating M23 IP66 rated 12-pin female plug and a 12 conductor color coded cable with flying leads. The standard cable length is 2 meters. The cable assembly is also available in optional lengths of 5, 10 and 15 meters.

For severe environments an additional air purge nozzle can be fitted onto the front of the  MSE-PF100 housing. The air purge nozzle is constructed of steel with zinc cadmium, coating and oven baked black paint for long life. This air purge nozzle is used to further direct the air purge and increase the pressure to clear steam and particulate from the lens. Is construction allows for easy attachment to the cast housing with only an Allen wrench. It has an extra tubing fitting if additional air purge is required in severe environments.

 
 

Housing Specifications

 

Housing
Aluminum AL6, Oven baked blue powder coat
Housing Rating
IEC IP66, DIN, 89011
Weight
without Cable: 2.5 Kg (5.5 lbs)
Electrical Box Connector
M23, Circular, Plug/Socket, 16 Pin, Rated: IP66
Cable Length
2 m (6.6ft) standard. Also available in optional lengths of 5 m (16.4ft), 10 m (32.8ft), and 15m (49.2ft)
Cooling: Standard
Standard: -D Water cooled & Air Purged; Optional: -A Air Cooled & Air Purged

Housing Dimensions
MSE-PF100 Digital Scanning Hot Metal Detector Housing Dimensional Imformation

Air & Optional Water Specifications

 

Air Pressure
1 - 2 cu ft./min at 5 PSI for normal conditions, non-instrument dry air and 10 - 15 PSI for severe conditions
Water Pressure
1 - 2 Bar
Water Volume
Regulate between 0.5 - 1 liter/min.
Water Temperature
For Ambient Temperature up to +80°C (176°F) use industrial quality water below 25°C (77°F)
For Ambient Temperature above up to +120°C (250°F) use water chilled to 5°C (41°F)


Electrical Terminal Connections

Terminal Connections
Pin No.
Wire Color
Function
1
Pink
Self Check to + 24 VDC Supply (Pin No. 2)
2
Red
 +24 VDC Supply
3
Black
80-240 VAC Supply (L1) (Optional)
4
White
Supply Neutral (L2) (Optional)
5
Violet
PNP Transistor Output (#3)
6
Blue
0 VDC (For 24 VDC Supply
7
Green
Ground
8
Brown
Cradle Relay Output (#1) N.O. Contact
9
Orange or Grey Pink
Cradle Relay Output (#1) N.O. Contact
10
Light Blue or Red/Blue
NPN Transistor Output (#3)
11
Yellow
Opto-isolated NPN Transistor Output (#3), emitter
12
Grey
Opto-isolated NPN Transistor Output (#3), collector
 
 

The MSE-PF100 Digital Scanning Hot Metal Detector is a direct replacement for the MCSL Model PF1000 Pathfinder Digital Hot Metal Detector (HMD) Scanner . Please contact us for additional information.

 
Hot Metal Detectors MSE-PF100 Description Technical Info Housing Info Data Sheet Request More Info
HOME Laser Distance Measurement Sensors Laser Level Sensors Optical Position Looper Scanner